All Campbell Hausfeld Air Compressor Parts

All Campbell Hausfeld Air Compressor Parts

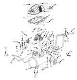
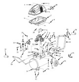
Master Tool Repair offers Campbell Hausfeld air compressor parts to help you repair your machine and keep it running properly. Our technical specifications and schematics can help you determine what’s gone wrong, and our how-to videos can teach you how to install replacement parts for Campbell Hausfeld air compressors.

When you rely on your air compressor to produce the force necessary to drive nails, fire brads into molding, power pneumatic auto repair tools, and more, you can rely on Master Tool Repair to have the Campbell Hausfeld air compressor parts you need. If you’re not sure what’s gone wrong or which parts you need for your Campbell Hausfeld air compressor, our customer support team can help; we’ll find the right parts and direct you to the information you need to install them and get your machine back online.

Select your Campbell Hausfeld Model # below, or search your model by category instead by clicking on the links below:

Search only for Portable models

Search only for Stationary models