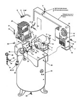
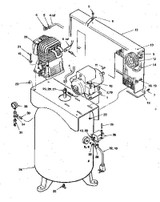
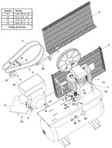
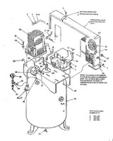
Stationary Air Compressors

Stationary Air Compressors

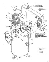
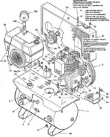
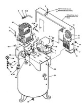
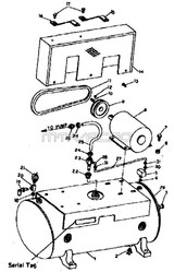
Master Tool Repair offers schematics and replacement parts for many makes and models of stationary air compressors. Stationary air compressors are designed to provide a reliable and continuous supply of compressed air for various industrial applications. Typically used in workshops, manufacturing plants, and other heavy-duty environments to power pneumatic tools, operate machinery, or provide air for industrial processes, stationary air compressors are built to be durable, efficient, and low-maintenance.