California Air Tools Air Compressor Parts

California Air Tools Air Compressor Parts

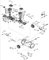
Master Tool Repair is the exclusive distributor for California Air Tools (CAT) air compressor parts. We proudly supply California Air Tools air compressor parts, plus offer technical expertise and live customer service and support. Find popular repair parts for your California Air Tools air compressor and get your unit back up and running. 

If you’re having trouble with an air compressor from California Air Tools, replacement parts are just a few clicks away. If you need help figuring out what the problem is or which part could fix it, just give our expert support staff a call. We also have online schematics, tech docs, and how-to videos available.  

Can't find your model? We’ll help you find the right part to fix your California Air Tools air compressor. Contact us at customerservice@mastertoolrepair.com or 757-547-8665 with your model and we will find the parts.

Click here for California Air Tools Warranty information.