Toggle menu
Welcome to Master Tool Repair!
757-547-8665
customerservice@mastertoolrepair.com
Sign In
Register
Compare
Recently
Viewed
Cart
757-547-8665
customerservice@mastertoolrepair.com
Categories
Air Compressor Models by Brand
All Air Compressor Models by Brand
American IMC, BelAire
Bostitch
Briggs & Stratton
Brute
California Air Tools
Campbell Hausfeld
Central Pneumatic
Chicago Pneumatic
Coleman Powermate
Craftsman
DeVilbiss
DEWALT
Emglo
Fini
Grip Rite
Hitachi / Metabo HPT
Husky
Industrial Air
Jenny
Kellogg
Kobalt
Masterforce
Maxus
Morgan Series
NAPA
Porter Cable
Ridgid
Rolair
Ryobi
Sanborn
Senco
Snap-on
Speedaire
Task Force
Thomas
U.S. General
Westward
Air Compressors By Type
All Air Compressors By Type
Electric Air Compressors
Gas Air Compressors
Oil-Free Air Compressors
Oil-Lubricated Air Compressors
Portable Air Compressors
Stationary Air Compressors
Ultra-Quiet Air Compressors
Air Compressor Parts
All Air Compressor Parts
Air Compressor Air Filters and Maintenance Kits...
Air Compressor Air Line Manifolds & Auxiliary A...
Air Compressor Belts
Air Compressor Centrifugal Unloader Valves
Air Compressor Check Valves
Air Compressor Couplers, Plugs, & Other Accesso...
Air Compressor Drain Valves & Drain Cocks
Air Compressor Guns & Accessories
Air Compressor Hoses & Hose Reels
Air Compressor In-Line Lubricators
Air Compressor Isolator Pads and Rubber Feet
Air Compressor Line Filters
Air Compressor Magnetic Starters
Air Compressor Motor Pulleys
Air Compressor Oil
Air Compressor Oil Sight Glasses
Air Compressor Pilot Valves
Air Compressor Pressure Gauges
Air Compressor Pressure Regulators
Air Compressor Pressure Switches
Air Compressor Rebuild Tools
Air Compressor Safety Relief Valves
Air Compressor Throttle Control Valves
Air Compressor Tubing & Transfer Tubes
Air Compressors, Oil-Bath and Oil-Free
Electric Motors
Pressure Pots & Accessories
Air Compressor Pumps by Brand
All Air Compressor Pumps by Brand
Belaire Air Compressor Pumps
Bostitch Air Compressor Pumps
California Air Tools Air Compressor Pumps
Campbell Hausfeld Air Compressor Pumps
Chicago Pneumatic Air Compressor Pumps
Coleman Powermate Sanborn Air Compressor Pumps
Craftsman Air Compressor Pumps
DeWalt Air Compressor Pumps
Emglo Air Compressor Pumps
Fini Air Compressor Pumps
Grip Rite Air Compressor Pumps
Hitachi Air Compressor Pumps
Husky Air Compressor Pumps
IMC-ATLAS COPCO Air Compressor Pumps
Industrial Air Air Compressor Pumps
Jenny Air Compressor Pumps
Kellogg Air Compressor Pumps
Kobalt Air Compressor Pumps
Master Force Air Compressor Pumps
Maxus Air Compressor Pumps
NAPA Air Compressor Pumps
Porter Cable Air Compressor Pumps
Ridgid Air Compressor Pumps
Rolair Air Compressor Pumps
Schulz Air Compressor Pumps
Senco Air Compressor Pumps
Speedaire Air Compressor Pumps
Brands
Compressors By Type
Pumps
Pumps
Pumps by Brand
Repair Parts by Type
Policies
Policies
Privacy Policy
Terms and Conditions
Order Processing and Shipping Info
Returns
Shop Like A Pro: Get Your Repair Right the First Time
About Us
How-To Blogs & Videos
Technical Help
My Account
Contact Us
Sign In
Register
Oil Free (Stationary)
Home
Air Compressor Models by Brand
DeVilbiss
Pump Parts
Oil Free (Stationary)
Oil Free (Stationary)
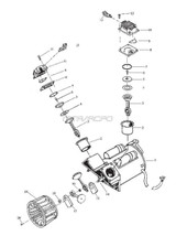
AC-0102 #01A1F2
AC-0782 #01A1F1
ACG-4000-1, AC-0051 #01A245
EXFA2030SV Pump #01A88A
FA752 PUMP (3) - type 3 #01A9E8
FAC23 PUMP (0) - type 0 #01A9EA
FAC23 PUMP (1) - type 1 #01A9EC
HFAC153 PUMP (1) - type 1 #01A9F8
HFAC153 PUMP (2) - type 2 #01A9FA
HFAC153 PUMP (3) #01A9FC
HFAC153 PUMP (4) - type 4 #01A9FE
IR500TVE60V PUMP (0) - type 0 #01AA18
IR500TVE60V PUMP (1) - type 1 #01AA1C
IR500TVE60V PUMP (2) - type 2 #01AA20
IR500TVE60V PUMP (3) - type 3 #01AA22
IRC500TVE60V PUMP (0) - type 0 #01AA24
IRC500TVE60V PUMP (1) - type 1 #01AA1E
IRC500TVE60V PUMP (2) - type 2 #01AA29
IRC500TVE60V PUMP (3) - type 3 #01AA2B
RA102D Pump - Type 0 #01AA93
RA102D PUMP - Type 1 #01AA9C
OK