Toggle menu
Welcome to Master Tool Repair!
757-547-8665
customerservice@mastertoolrepair.com
Sign In
Register
Compare
Recently
Viewed
Cart
757-547-8665
customerservice@mastertoolrepair.com
Categories
Air Compressor Models by Brand
All Air Compressor Models by Brand
American IMC, BelAire
Bostitch
Briggs & Stratton
Brute
California Air Tools
Campbell Hausfeld
Central Pneumatic
Chicago Pneumatic
Coleman Powermate
Craftsman
DeVilbiss
DEWALT
Emglo
Fini
Grip Rite
Hitachi / Metabo HPT
Husky
Industrial Air
Jenny
Kellogg
Kobalt
Masterforce
Maxus
Morgan Series
NAPA
Porter Cable
Ridgid
Rolair
Ryobi
Sanborn
Senco
Snap-on
Speedaire
Task Force
Thomas
U.S. General
Westward
Air Compressors By Type
All Air Compressors By Type
Electric Air Compressors
Gas Air Compressors
Oil-Free Air Compressors
Oil-Lubricated Air Compressors
Portable Air Compressors
Stationary Air Compressors
Ultra-Quiet Air Compressors
Air Compressor Parts
All Air Compressor Parts
Air Compressor Air Filters and Maintenance Kits...
Air Compressor Air Line Manifolds & Auxiliary A...
Air Compressor Belts
Air Compressor Centrifugal Unloader Valves
Air Compressor Check Valves
Air Compressor Couplers, Plugs, & Other Accesso...
Air Compressor Drain Valves & Drain Cocks
Air Compressor Guns & Accessories
Air Compressor Hoses & Hose Reels
Air Compressor In-Line Lubricators
Air Compressor Isolator Pads and Rubber Feet
Air Compressor Line Filters
Air Compressor Magnetic Starters
Air Compressor Motor Pulleys
Air Compressor Oil
Air Compressor Oil Sight Glasses
Air Compressor Pilot Valves
Air Compressor Pressure Gauges
Air Compressor Pressure Regulators
Air Compressor Pressure Switches
Air Compressor Rebuild Tools
Air Compressor Safety Relief Valves
Air Compressor Throttle Control Valves
Air Compressor Tubing & Transfer Tubes
Air Compressors, Oil-Bath and Oil-Free
Electric Motors
Pressure Pots & Accessories
Air Compressor Pumps by Brand
All Air Compressor Pumps by Brand
Belaire Air Compressor Pumps
Bostitch Air Compressor Pumps
California Air Tools Air Compressor Pumps
Campbell Hausfeld Air Compressor Pumps
Chicago Pneumatic Air Compressor Pumps
Coleman Powermate Sanborn Air Compressor Pumps
Craftsman Air Compressor Pumps
DeWalt Air Compressor Pumps
Emglo Air Compressor Pumps
Fini Air Compressor Pumps
Grip Rite Air Compressor Pumps
Hitachi Air Compressor Pumps
Husky Air Compressor Pumps
IMC-ATLAS COPCO Air Compressor Pumps
Industrial Air Air Compressor Pumps
Jenny Air Compressor Pumps
Kellogg Air Compressor Pumps
Kobalt Air Compressor Pumps
Master Force Air Compressor Pumps
Maxus Air Compressor Pumps
NAPA Air Compressor Pumps
Porter Cable Air Compressor Pumps
Ridgid Air Compressor Pumps
Rolair Air Compressor Pumps
Schulz Air Compressor Pumps
Senco Air Compressor Pumps
Speedaire Air Compressor Pumps
Brands
Compressors By Type
Pumps
Pumps
Pumps by Brand
Repair Parts by Type
Policies
Policies
Privacy Policy
Terms and Conditions
Order Processing and Shipping Info
Returns
Shop Like A Pro: Get Your Repair Right the First Time
About Us
How-To Blogs & Videos
Technical Help
My Account
Contact Us
Sign In
Register
Portable Compressor Parts
Home
Air Compressor Models by Brand
Porter Cable
Air Compressor Parts
Portable Compressor Parts
Portable Compressor Parts
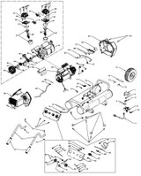
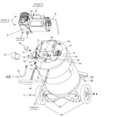
We carry popular parts for your Porter Cable portable air compressor so you can repair it yourself and get back to work again! Whether you need a valve kit, air filter or pressure switch, find it here.
C1010 - Type 1 #01A4E4
C2000 - Type 0 #01B101
C2000 - Type 1 #01B102
C2000-WK - Type 0 #01B103
C2000-WK - Type 1 #01B104
C2002 - Type 2 #01B100
C2002 - Type 3 #01B1FB
C2002 - Type 4 #01B1FD
C2002 - Type 5 #01B1FE
C2002 - Type 7 #01B1FF
C2002 - Type 8 #01B0F4
C2002 - Type 9 #01B200
C2004-WK #01B0D7
C2005 - type 2 #01B147
C2005 - type 3 #01B148
C2005 - type 4 #01B149
C2005 - type 5 #01B14A
C2006 #01B120
C2025 - type 1 #01B16A
C2150 - type 1 #01B16B
C2550 - type 0 #01B16C
C2550 - type 1 #01B16D
C3001 - type 0 #01B496
C3001 - type 1 #01B16F
C3001 - type 2 #01B170
C3101 - type 1 #01B172
C3101 - type 2 #01B173
C3150 - type 0 #01B175
C3150 - type 1 #01B176
C3151 - type 0 #01B177
C3151 - type 1 #01B178
C3151 - type 2 #01B179
C3550 - type 0 #01B182
C3550 - type 1 #01B185
C3551 - Type 0 #01AE0A
C3551 - Type 1 #01AE0B
C3551 - Type 2 #01AE0C
C3555 - type 1 #01B186
C5100 - type 0 #01B163
C5100 - type 1 #01B164
C5101 - type 0 #01B187
C5101 - type 2 #01B189
C5510 - Type 0 #01B18A
C6001 - type 2 #01B18D
C6110 - Type 0 #01B18E
C6110 - Type 2 #01B18F
C7510 - type 0 #01B190
C7550 - type 2 #01B191
CF1400 - type 0 #01B499
CF1540 #01A890
CF2020 - Type 0 #01A8E5
CF2400 - type 0 #01A8E6
CF2600 - Type 0 #01B0F9
CF2600 - Type 1 #01B0FA
CF2600 - Type 2 #01B0F8
CF2800 - type 1 #01A8E7
CF2800 - type 2 #01A8E8
CFFN250N - Type 0 #01B157
CLFCP350 - type 0 #01B1C0
CLFCP350 - type 1 #01B1C1
CLFRP350 - type 1 #01B1C2
CPF23400P - type 1 #01B1C3
CPF23400P - type 2 #01B1C5
CPF23400P - type 3 #01B1C6
CPF23400S - type 0 #01B1C7
CPF23400S - type 2 #01B49B
CPF23400S - type 3 #01B1C8
CPF23400S - type 4 #01B1CB
CPF4515 - type 0 #01B1FA
CPF4515 - type 1 #01B1CC
CPF4515 - type 2 #01B1CD
CPF6020 #01ADEE
CPF6020 - type 1 #01B1CF
CPF6020 - type 2 #01B1D1
CPF6020-WK - type 0 #01B1D3
CPF6025VP - Type 1 #01B135
CPFAC2040P - type 0 #01B1D5
CPFAC2040P - type 1 #01B1D7
CPFAC2040P - type 2 #01B1D8
CPFAC2040P - type 3 #01B1D9
CPFAC2600P - type 0 #01B1DA
CPFAC2600P - type 1 #01B1DB
CPFAC2600P - type 2 #01B1DC
CPFAC2600P - type 3 #01B1DE
CPFAC2600P-WK - type 0 #01B1E0
CPFAC2600P-WK - type 1 #01B1E1
CPFAC2600P-WK - type 2 #01B1E2
CPFC2TV3520W - type 0 #01B1E4
CPFC2TV3520W - type 1 #01B1E6
CPFC2TV3520W - type 2 #01B1E8
CPFC2TV3525VP - type 1 #01B1EA
CPFC2TV3525VP - type 2 #01B1EE
CPFC2TV3525VP - type 3 #01B1F0
CPFFR350 - type 1 #01B1F1
CPL6025 #01B13E
CPL6025 - type 1 #01B1F3
CPLDC2540P - Type 0 #01B1E5
CPLDC2540P - Type 1 #01B1E7
CPLDC2540P - Type 2 #01B1E9
CPLDC2540S - Type 0 #01B1EC
CPLDC2540S - Type 1 #01B1EF
CPLDC2540S - Type 2 #01B1EB
CPLDC2541S - 2 #01B24B
CPLDC2541S - Type 1 #01B250
CPLMC7580V2, CPLMC7580V2C - Type 1 #01B4E6
E2002 - type 0 #01B1F5
E2002 - type 1 #01B1F6
PCFP02003 - 1 #01B0DE
PCFP02003 - type 2 #01B1F9
PCFP02040 #01B066
PRFB5020VP - Type 0 #01B201
PRFB5020VP - Type 1 #01B3B5
PRFB5020VP - Type 2 #01B3B6
PRFBC5525VP - Type 0 #01B1F2
PXCM301 #01A80A
PXCMF220VW #01AE0D
PXCMF226VW - type 0 #01B3B7
PXCML224VW - Type 0 #01B593
PXCMLC1683066, PXCMPC1682066 #01AE03
OK