Description
OEM twin-cylinder, two-stage replacement air compressor pump with flywheel, intercoolers, and air filter assembly. 5 - 7.5 HP.
Note: This replacement pump is a splash-lubricated pump (original pump was a pressure-lubricated pump). This part number replaces both the TF2101, TF2111, TF2501 and TF2511 pumps.
Need oil? Click here for synthetic and synthetic-blend air compressor oil to keep your compressor running like new for years to come.
Specifications
- HP: 5 HP to 7.5 HP
- CFM Delivery: 25.1 @ 175 PSI (w/ a 7.5 HP motor), 17.1 CFM @ 175 PSI (with a 5 HP motor)
- Max PSI: 175 PSI
- Material of Construction: cast iron with steel sleeves; stainless steel valves for long life
- Flywheel: 16.5" OD Double "B" groove (4L-style), 1-3/8" ID
- RPM: 800 / 1,020 (depending on motor HP and pulley diameter)
- Duty Cycle: 80/20
- Oil Capacity: 2 quarts
- Weight: 130 lbs.
- Dimensions (LWH): 21" x 20" x 26.5"
- Bolt Pattern: 5-3/4" front-to-back, 8-3/4" side-to-side
- Bore & Stroke: 4-34" x 3" (LP) / 2-1/2" x 3" (HP)
- Outlet: 3/4" FPT (exhaust on the left side of the pump head, when looking opposite the flywheel)
- Warranty: 1 year limited from the date of purchase
Product Fitment
-
Campbell Hausfeld CI12G030H, CI11G030HB, CI13G030HP Stationary Two-Stage Air Compressor Parts -
Campbell Hausfeld CI050000PD, CI070000PD Air Compressor Pump Parts -
Husky TF291201AJ Stationary Two-Stage Electric Air Compressor Parts -
Husky TF061903AV Air Compressor Pump Parts -
Campbell Hausfeld TF000021P, TF-000021P Air Compressor Pump Parts -
Speedaire 5F565 Stationary Two-Stage Oil-Bath Electric Air Compressor Parts -
Speedaire 5F565A Stationary Two-Stage Oil-Bath Electric Air Compressor Parts -
Speedaire 3Z492A Air Compressor Pump Parts -
Speedaire 5Z639FP, 3JR80FP Stationary Two-Stage Oil-Bath Electric Air Compressor -
Speedaire 5F564A, 4LW38, 13H30 Stationary Two-stage Oil-Bath Gas Air Compressor Parts -
Craftsman 106.175181 Stationary Two-Stage Oil-Bath Air Compressor Parts -
Husky TF2912 Stationary Two-Stage Oil-Bath Electric Air Compressor Parts -
Campbell Hausfeld CE700201AJ, CE700300AJ, CE700400AJ, CI12G030HB Stationary Two-Stage Air Compressor Parts -
Campbell Hausfeld CE7006, CE700000, CE700100, CE700500, CE700600, CE70500 Stationary Two-Stage Air Compressor Parts -
Campbell Hausfeld CI050000PB, CI050000PP, CI070000PB, CI070000PP Air Compressor Pump Parts -
Campbell Hausfeld CE720500FP, CE720600FP, CE725200FP, CE725300FP Stationary Duplex Two-Stage Air Compressor Parts -
Campbell Hausfeld CE700200AJ Stationary Two-Stage Air Compressor Parts -
Campbell Hausfeld CE705000, CE705100, CE705200, CE705300 Stationary Two-Stage Air Compressor Parts -
Speedaire 4LGJ5 Stationary Two-Stage Gas-Powered Air Compressor Parts -
Speedaire 5Z404B Air Compressor Pump Parts -
Speedaire 5Z639, 5Z639A Stationary Two-Stage Oil-Bath Electric Air Compressor Parts -
Campbell Hausfeld EX800600 Stationary Two-Stage Oil-Bath Gas Air Compressor Parts -
Campbell Hausfeld EX123000 Stationary Two-Stage Oil-Bath Gas Air Compressor Parts -
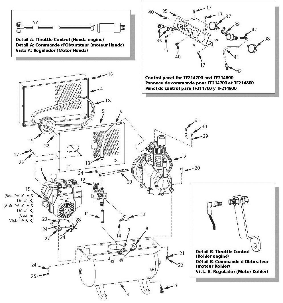
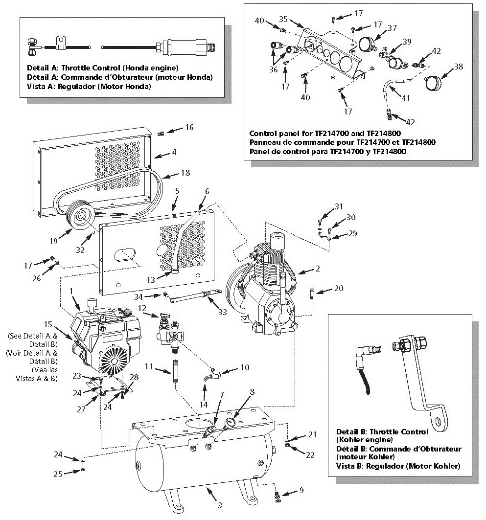
Campbell Hausfeld TF214700 Stationary Two-Stage Oil-Bath Gas Air Compressor Parts -
Campbell Hausfeld CI073080V Stationary Two-Stage Air Compressor Repair Parts -
Campbell Hausfeld CI073080V Stationary Two-Stage Air Compressor Repair Parts -
Speedaire 5Z404 Two-Stage Oil-Bath Air Compressor Pump Parts -
Speedaire 35WC40 Two-Stage Oil-Bath Electric Stationary Air Compressor Parts -
Speedaire 35WC42 Two-Stage Oil-Bath Electric Stationary Air Compressor Parts -
Speedaire 35WC43 Two-Stage Oil-Bath Electric Air Compressor Parts -
Speedaire 35WC45 Two-Stage Oil-Bath Electric Stationary Air Compressor Parts -
Speedaire 35WC47 Two-Stage Oil-Bath Electric Stationary Air Compressor Parts -
Speedaire 35WC50 Two-Stage Oil-Bath Electric Stationary Air Compressor Parts -
Speedaire 5Z397 Stationary Two-Stage Oil-Bath Electric Air Compressor Repair Parts -
Campbell Hausfeld CE700000FP Stationary Two-Stage Oil-Bath Electric Air Compressor Parts -
Campbell Hausfeld CE700001 Stationary Oil-Lubricated Electric Air Compressor -
Campbell Hausfeld CE700101 Stationary Oil-Lubricated Two Stage Electric Air Compressor -
Campbell Hausfeld CE700501 Stationary Oil-Lubricated Two Stage Electric Air Compressor -
Campbell Hausfeld CE700601 Stationary Oil-Lubricated Two Stage Electric Air Compressor -
Campbell Hausfeld CE705101 Stationary Oil-Lubricated Two Stage Electric Air Compressor -
Campbell Hausfeld CE705201 Stationary Oil-Lubricated Two Stage Electric Air Compressor -
Campbell Hausfeld CE705301 Stationary Oil-Lubricated Two Stage Electric Air Compressor
Old Part Numbers: CI050000PC, CI070000PD, TF2111, TF2511, CI050000PD, TF2101, TF2501
Extra Details
Use as a replacement pump with the following Campbell Hausfeld compressor models:
CI071080VMS, CI12G030H, CE7000, CE7001, CE7002, CE7003, CE7004, CE7005
CE7006, CE7000FP, CE7001FP, CE7005FP, CE7006FP, EX8006, EX1230, TF211201AJ
Use as a replacement pump with the following Speedaire compressor models:
5F563, 5F565, 5F566, 5Z639, 5Z639, 3JR80, 9H805, 5F565, 4LW38