Description
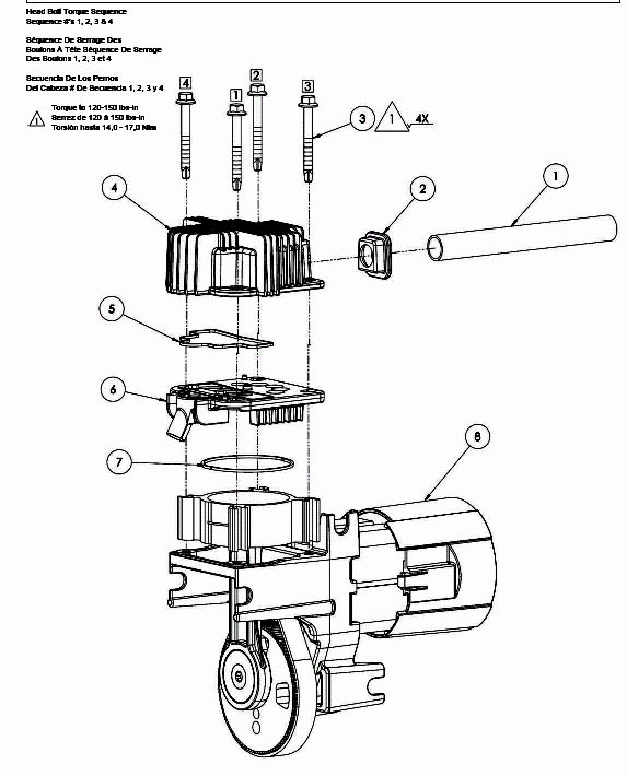
Drive Belt, .650" wide (5/8"), 6" Diameter.
Is your motor turning yet you have no pressure? Typically this is caused by a torn belt. To make installation easier, "walk" the belt onto the pulleys like you would a bicycle chain.
Drive Belt, .650" wide (5/8"), 6" Diameter.
Is your motor turning yet you have no pressure? Typically this is caused by a torn belt. To make installation easier, "walk" the belt onto the pulleys like you would a bicycle chain.