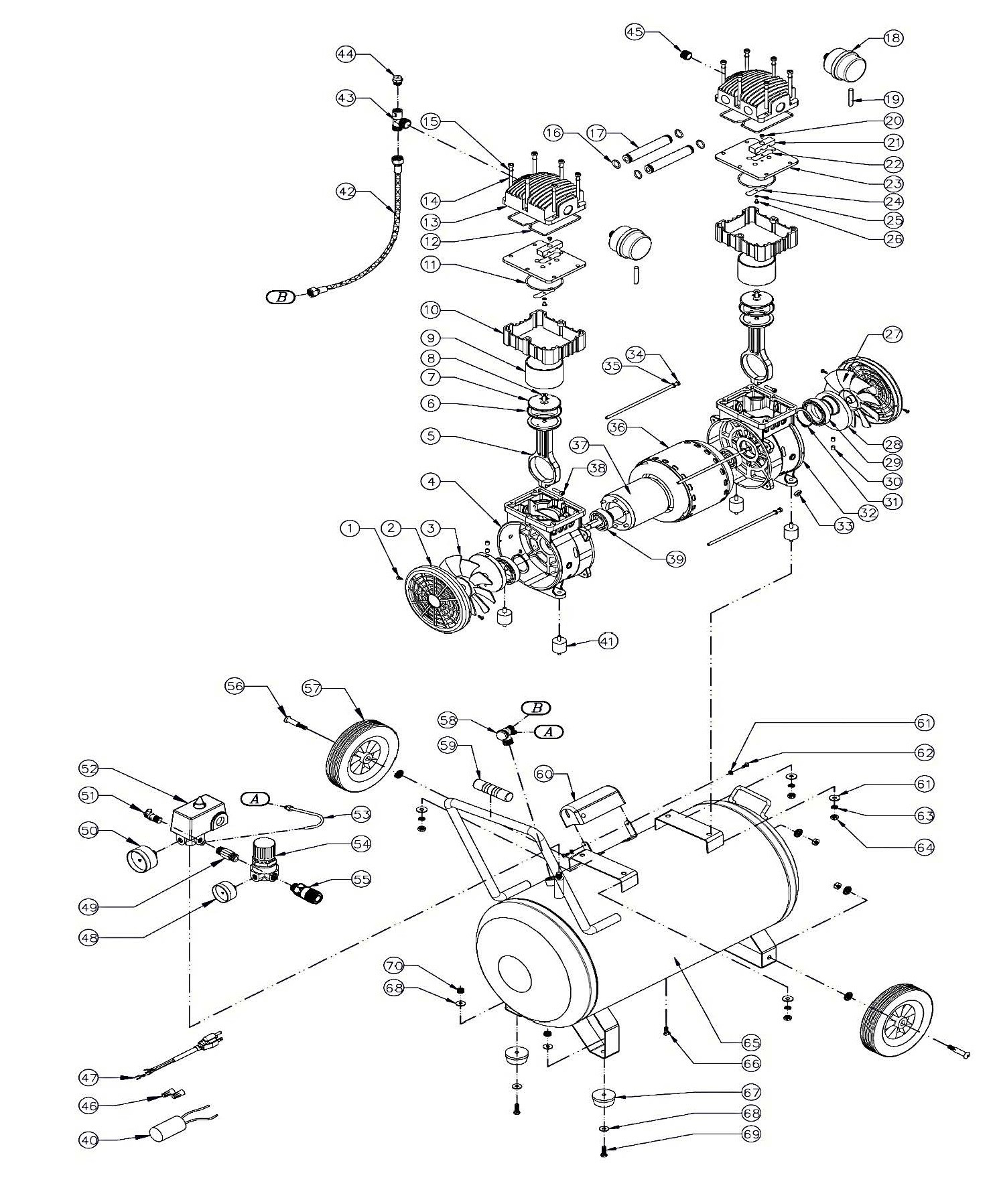
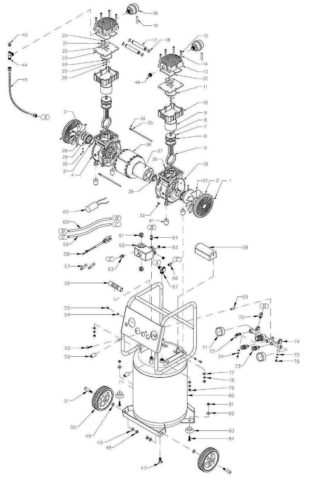
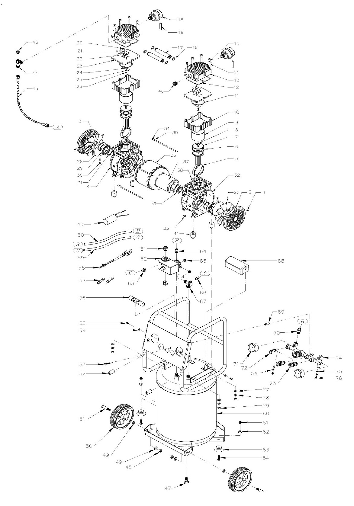
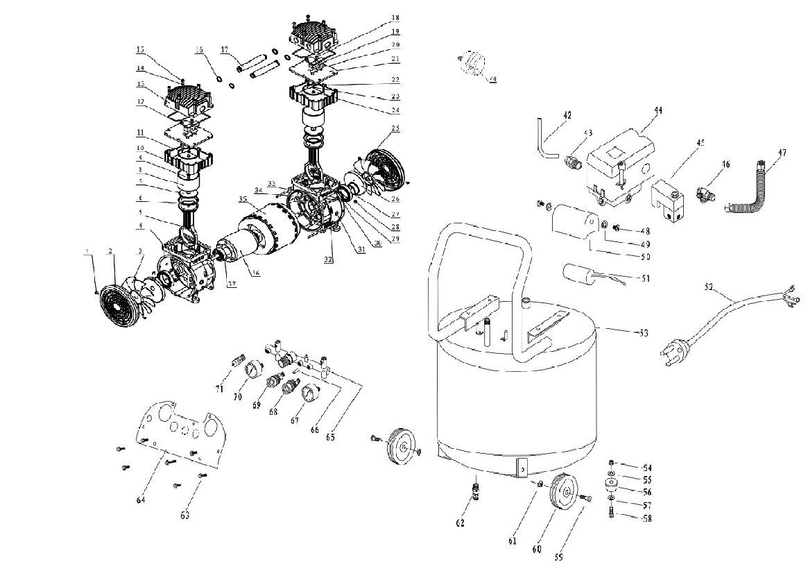
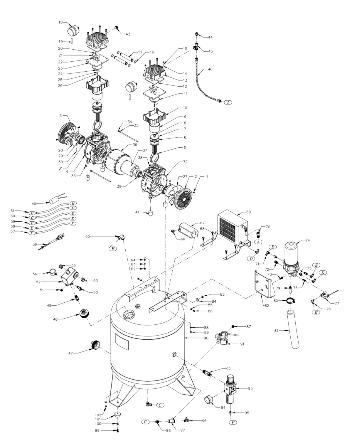
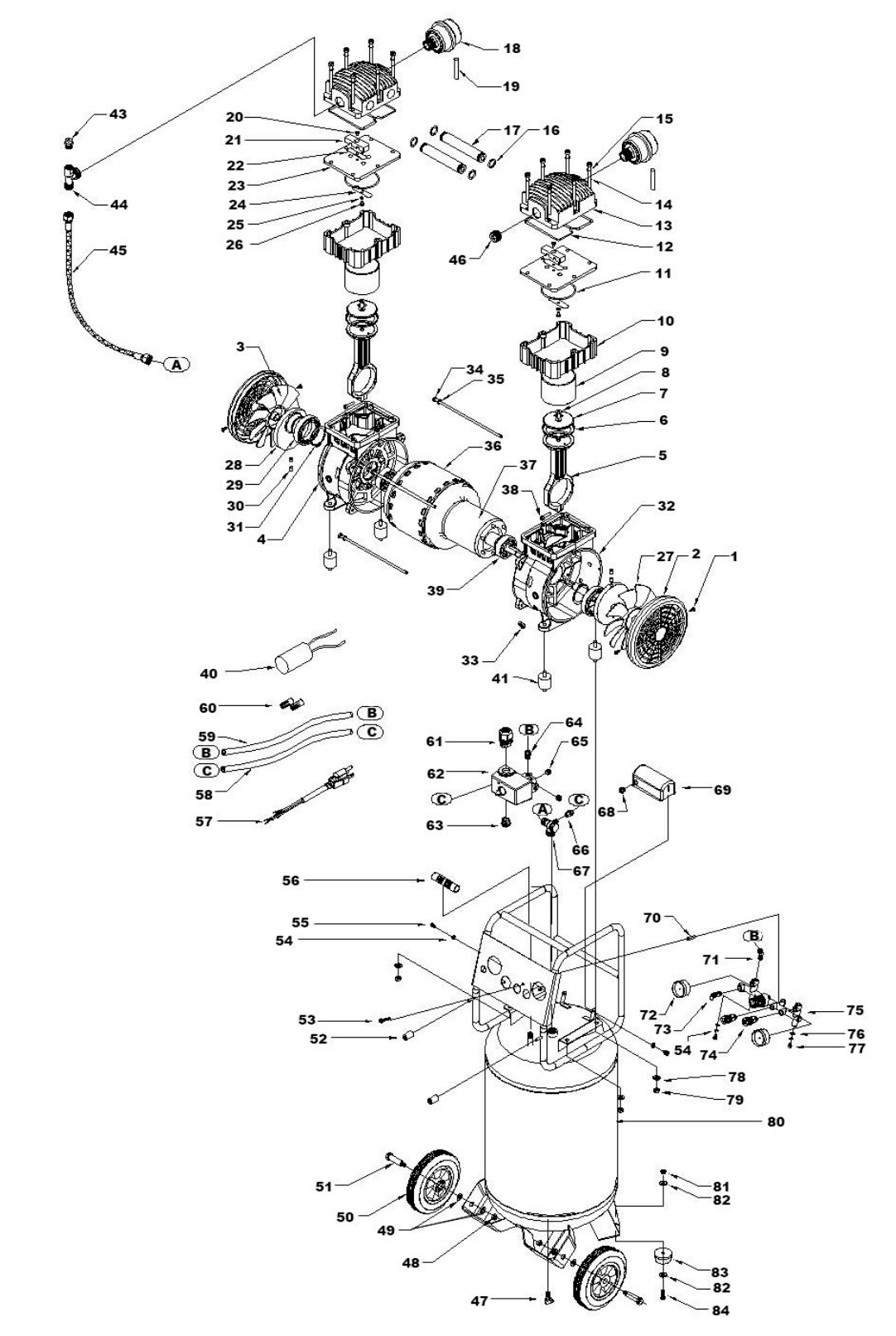
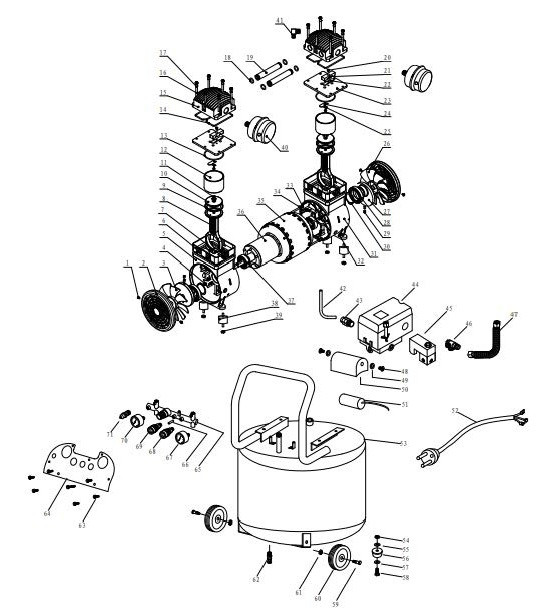
Description
Larger capacitor for 2 HP, 110V models rated at 150 uF.
Please note: Capacitors can not be returned for a refund unless proven to be defective.
Larger capacitor for 2 HP, 110V models rated at 150 uF.
Please note: Capacitors can not be returned for a refund unless proven to be defective.