Kobalt Air Compressor Pump Rebuild Kit #05A046

(No reviews yet) Write a Review
Shipping:
Calculated at Checkout
  • Kobalt Air Compressor Pump Rebuild Kit #05A046
  • Kobalt Air Compressor Pump Rebuild Kit #05A046
Price: $145.92

Description

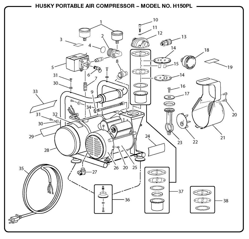
Includes: valve plate assembly with valves, all gaskets and a complete piston/rod kit.

This rebuilt kit will rebuild your pump like new. Is your pump struggling to keep up with your tools or does it not seem to pressurize as quickly as it used to? Install this kit.

View AllClose

Product Fitment

View AllClose

0 Reviews

View AllClose