Troubleshooting Your Air Compressor’s Pressure Relief Valve (Safety Valve) Your air compressor is a powerhouse of productivity, but it is also a vessel of immense stored energ … read more May 21, 2026 Craig Coffey, Owner of Master Tool Repair; Reviewed by Eric Trotman (20-Year Air Compressor Expert)
Pick the Perfect Hose: Navigating Air Compressor Air Hose Options Choosing the right air hose is often the most overlooked step in setting up a pneumatic system. Many … read more May 13, 2026 Craig Coffey, Owner, Master Tool Repair; Technical Review by: Eric Trotman, 20-Year Air Compressor Expert
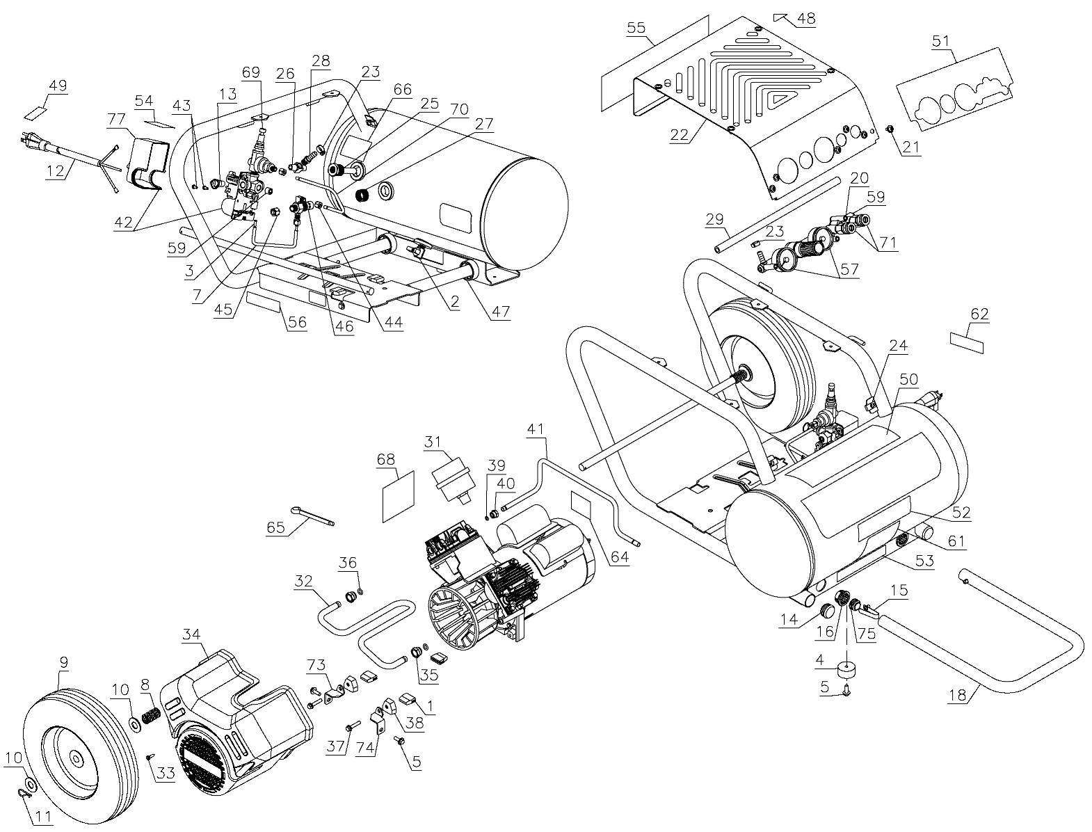
Description Fits Models 0 Reviews Description Complete Regulator Manifold Assembly. Includes: Manifold, Regulator, Pressure Gauges, and Couplers. View AllClose Product Fitment View AllClose 0 Reviews View AllClose