Pick the Perfect Hose: Navigating Air Compressor Air Hose Options Choosing the right air hose is often the most overlooked step in setting up a pneumatic system. Many … read more May 13, 2026 Craig Coffey, Owner, Master Tool Repair; Technical Review by: Eric Trotman, 20-Year Air Compressor Expert
How to Use Air Compressor Auxiliary Tanks to Boost Your Air Storage If your air compressor is constantly cycling on and off, or if your tools lose power during heavy-us … read more May 6, 2026 Craig Coffey, Owner, Master Tool Repair; Technical Review by: Eric Trotman, 20-Year Air Compressor Expert
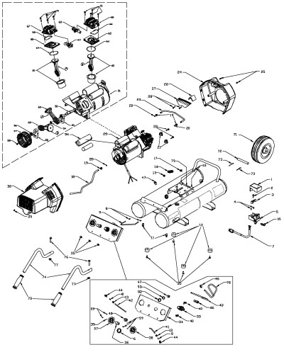
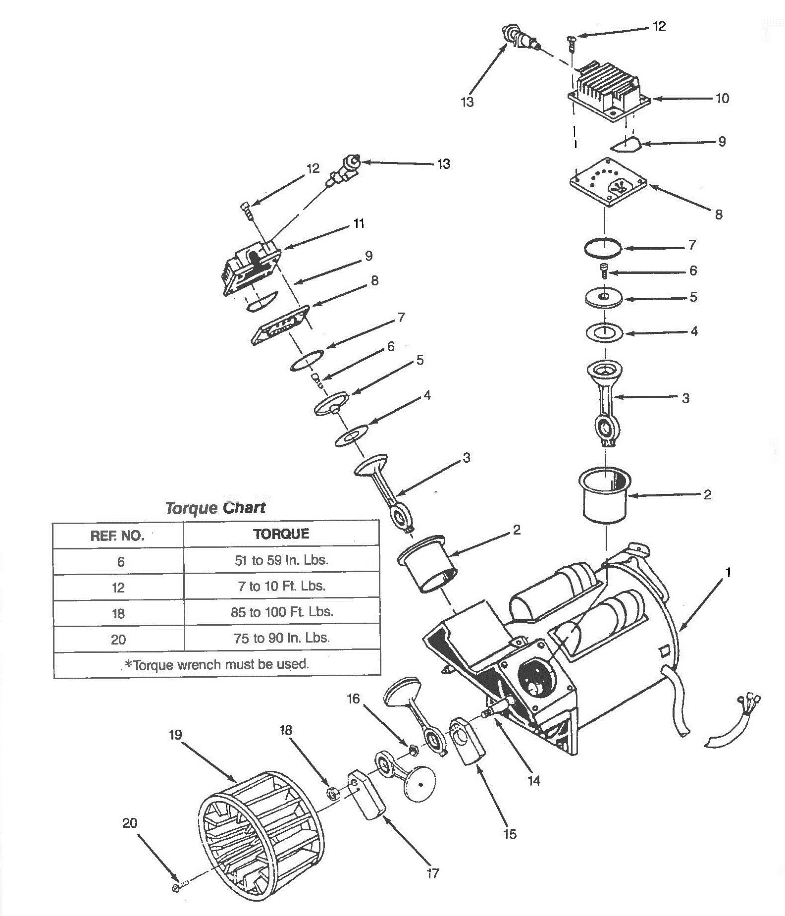
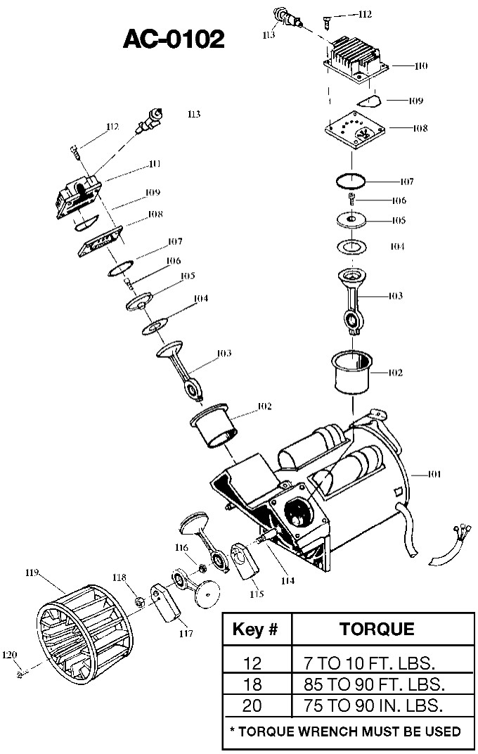
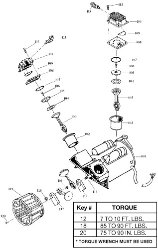
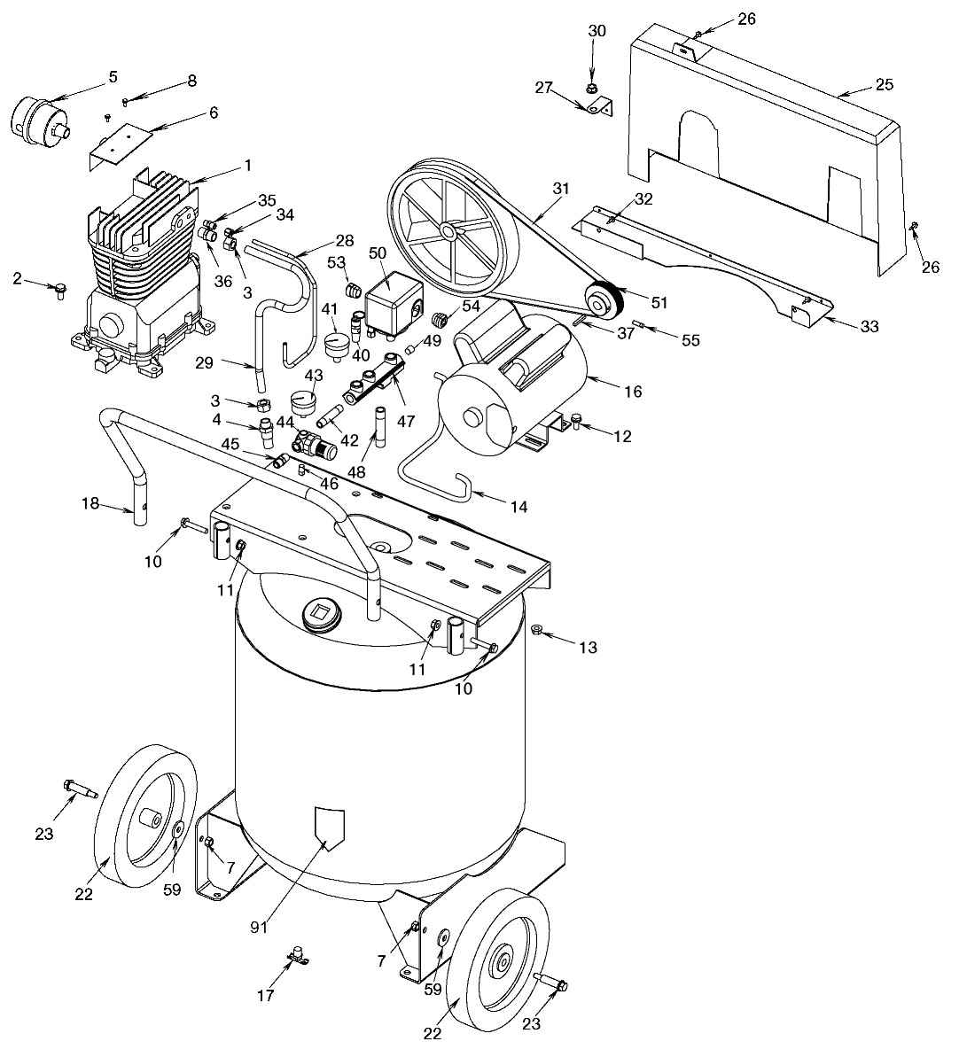
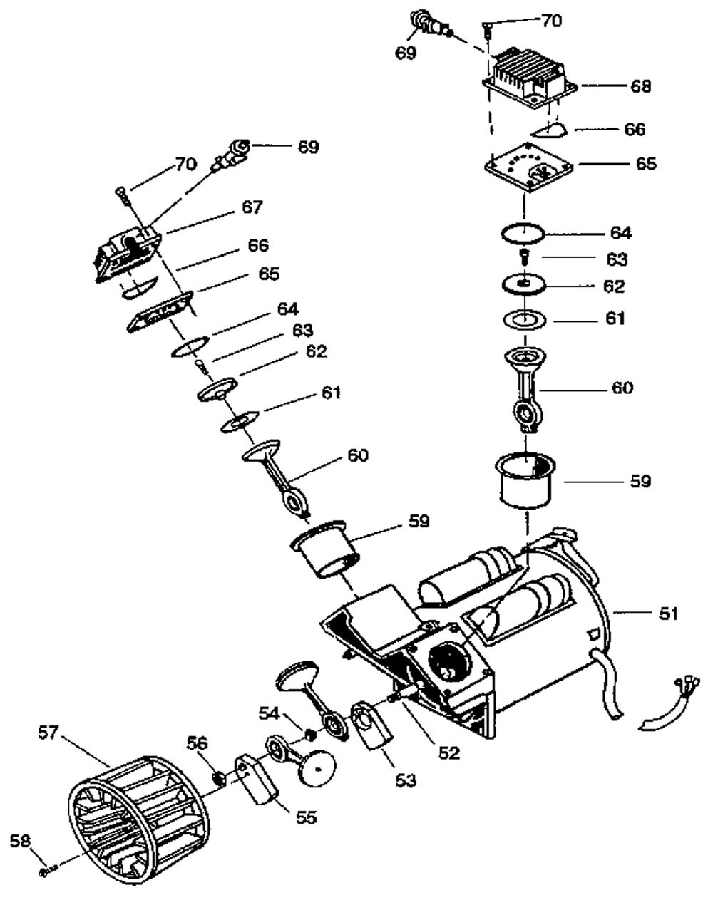
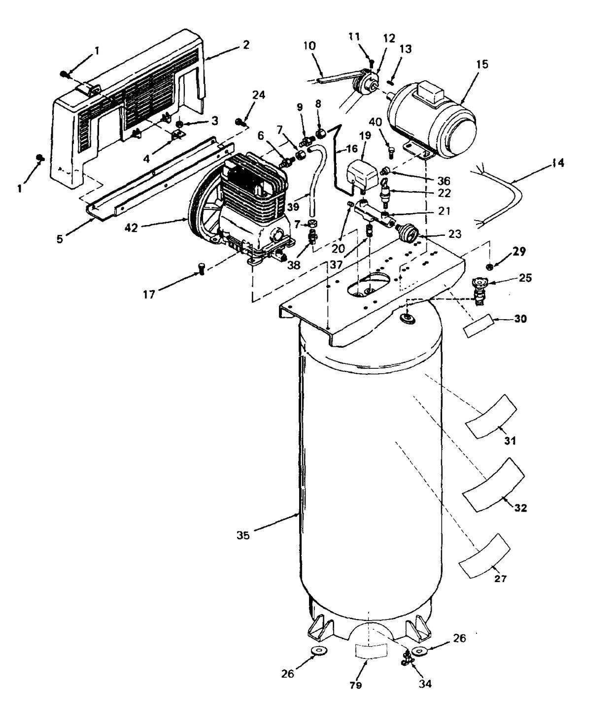
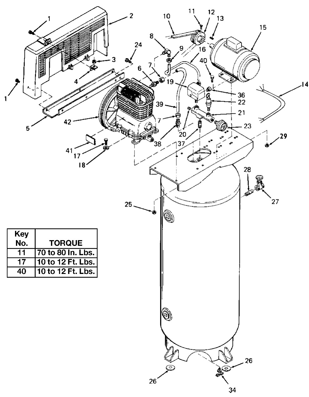
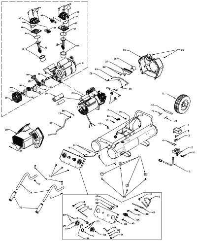
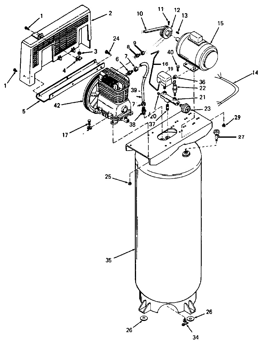
Description Fits Models 0 Reviews Description Screw for the pump cooling fan. View AllClose Product Fitment View AllClose 0 Reviews View AllClose