Master Your Air Flow: A Guide to Air Compressor Manifolds In the world of pneumatic systems, efficiency is king. While many DIYers and professionals focus on … read more Apr 15, 2026 Craig Coffey, Owner of Master Tool Repair; Technical Review by: Eric Trotman, 20-Year Air Compressor Expert
How to Prep Your Air Compressor for Peak Performance: The Spring Maintenance Checklist When the seasons shift, your air compressor faces new challenges. Changes in temperature and humidit … read more Apr 7, 2026 Craig Coffey, Owner of Master Tool Repair; Expert Review: Eric Trotman (20-Year Air Compressor Technical Expert)
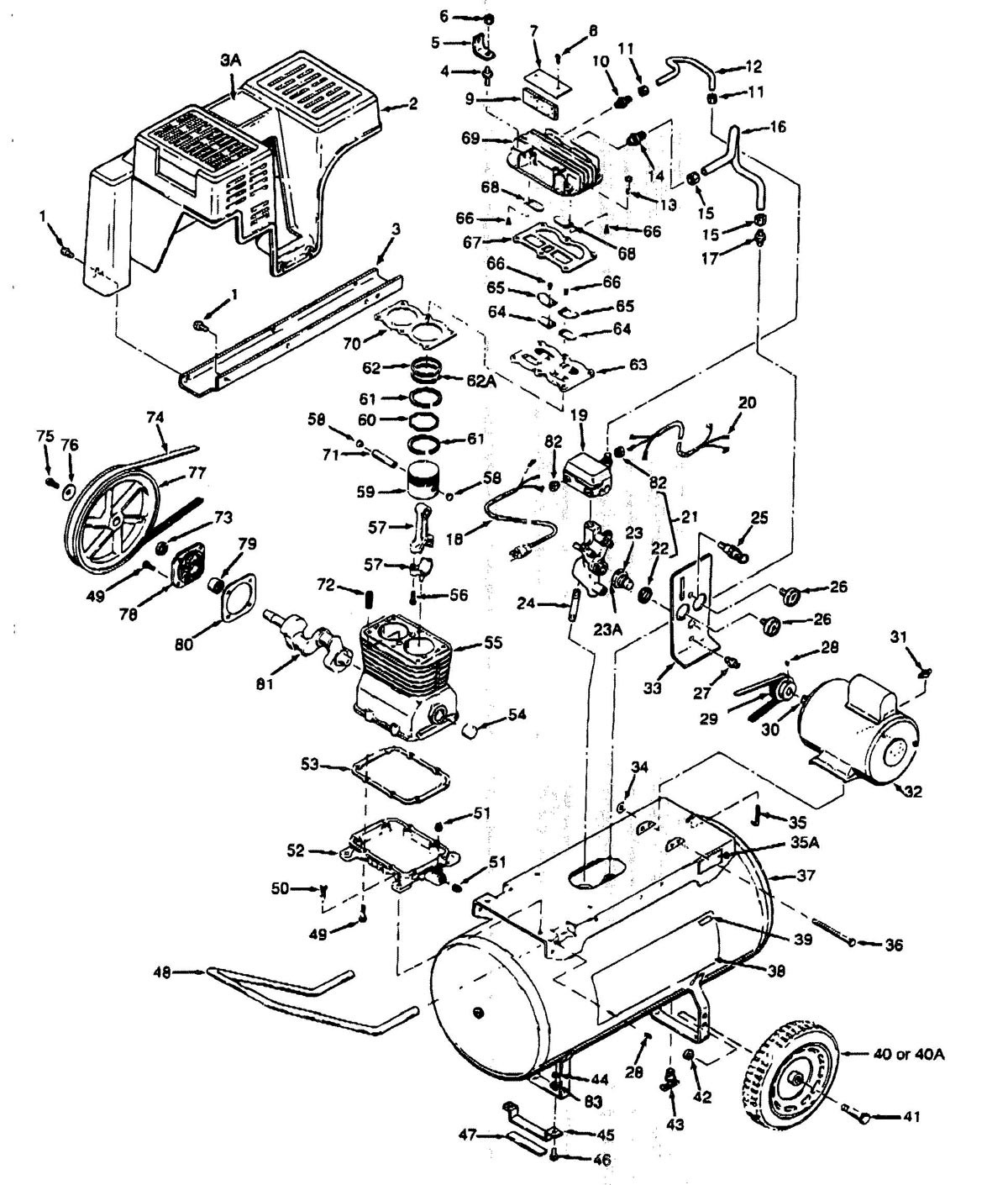
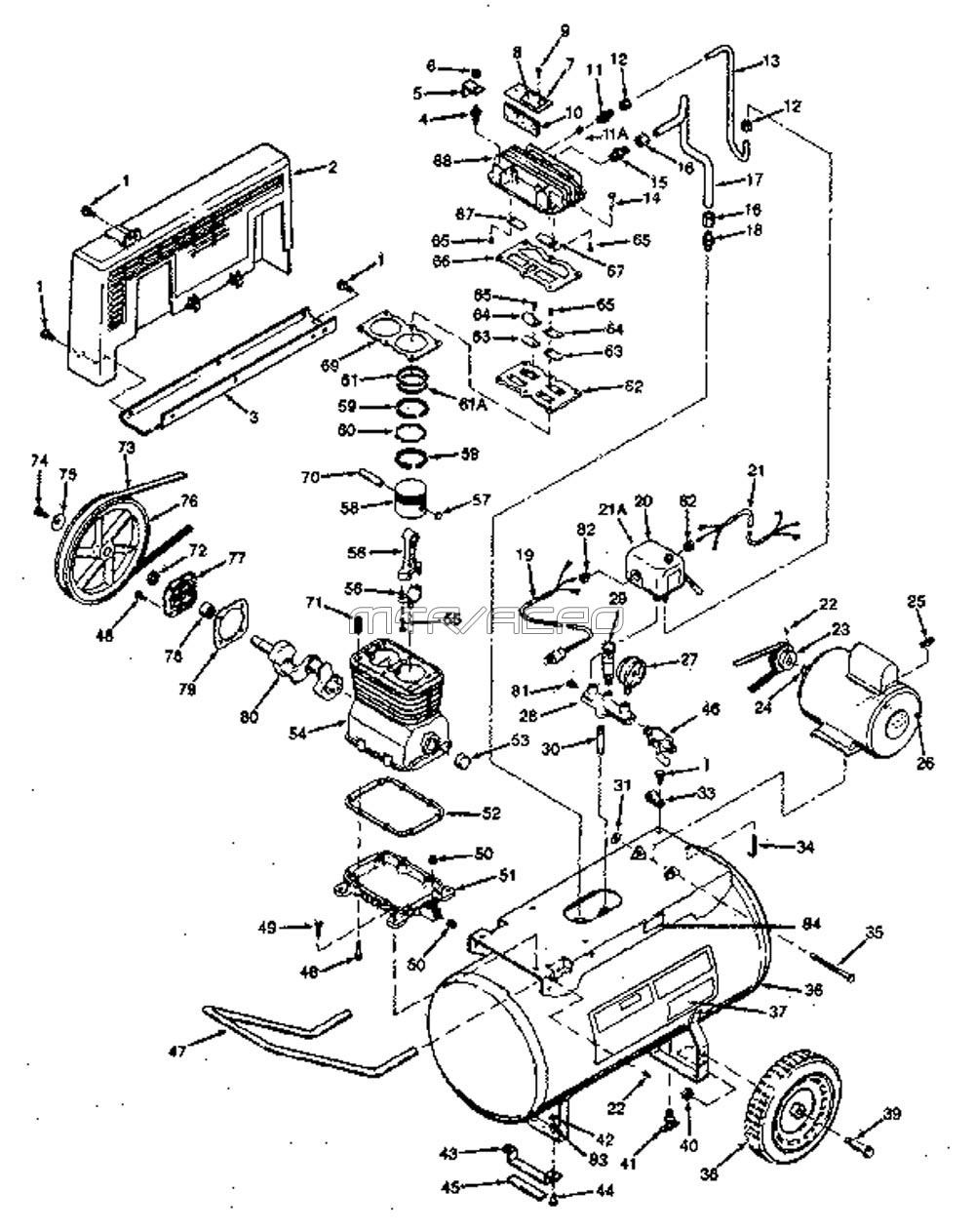
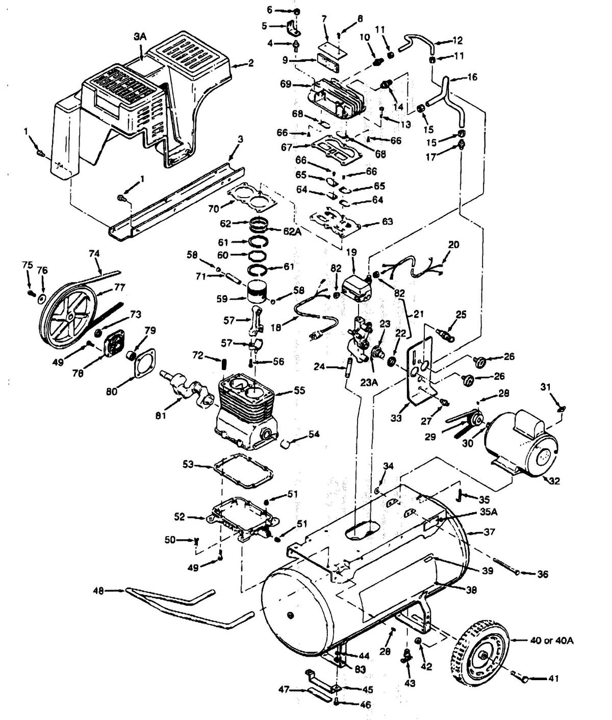
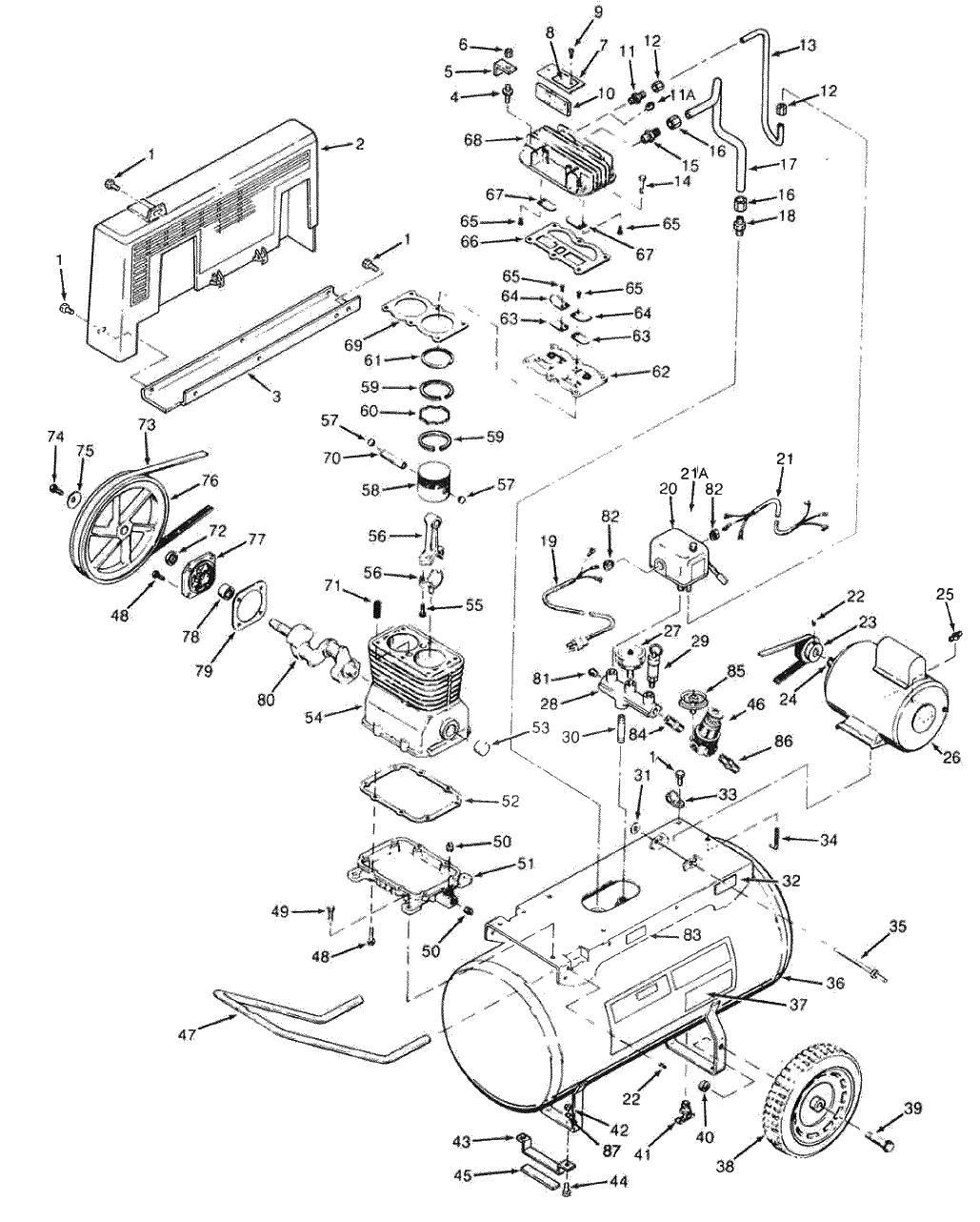
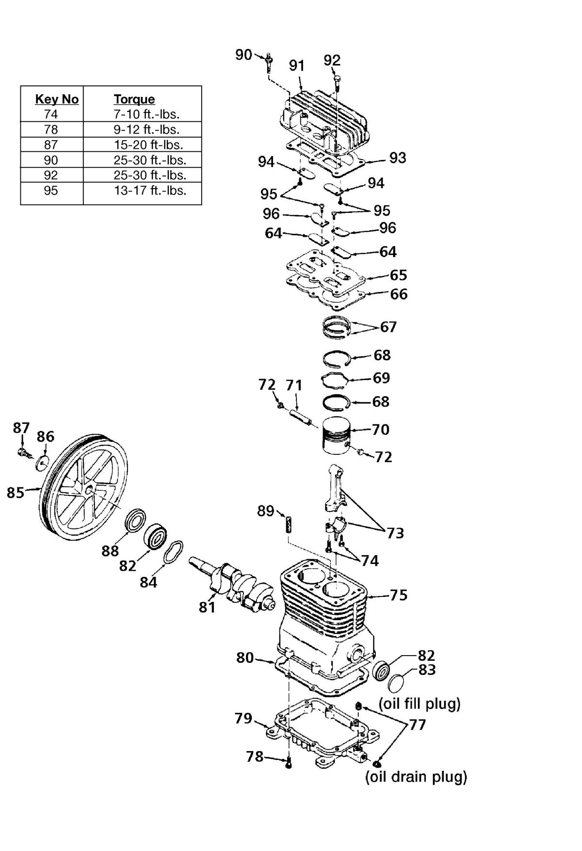
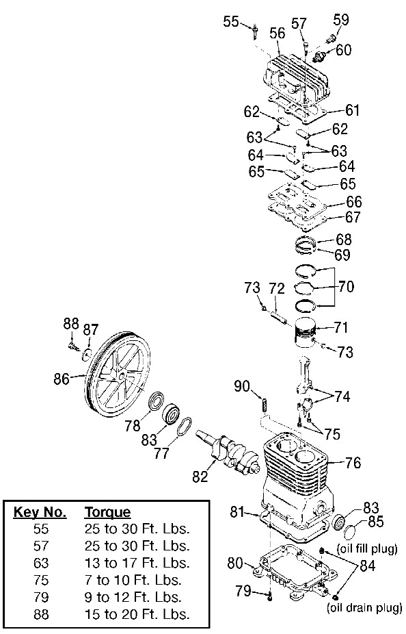
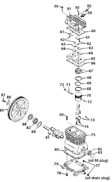
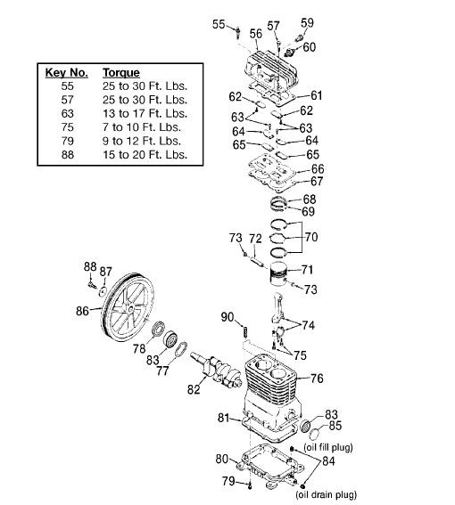
Description Fits Models 0 Reviews Description Vent filter for the pump crankcase. This fits into the top of the cylinder. View AllClose Product Fitment View AllClose 0 Reviews View AllClose