The Silent Killer of Air Compressors: Vibration and Why Your Mounts Matter If you’ve ever walked into your shop and heard your air compressor "walking" across the floor or rat … read more May 29, 2026 Craig Coffey, Owner of Master Tool Repair; Reviewed by Eric Trotman (20-Year Air Compressor Expert)
Troubleshooting Your Air Compressor’s Pressure Relief Valve (Safety Valve) Your air compressor is a powerhouse of productivity, but it is also a vessel of immense stored energ … read more May 21, 2026 Craig Coffey, Owner of Master Tool Repair; Reviewed by Eric Trotman (20-Year Air Compressor Expert)
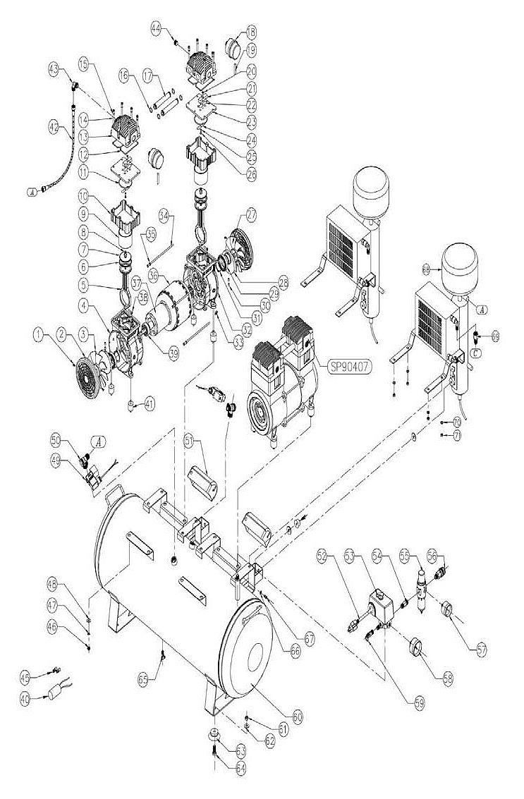
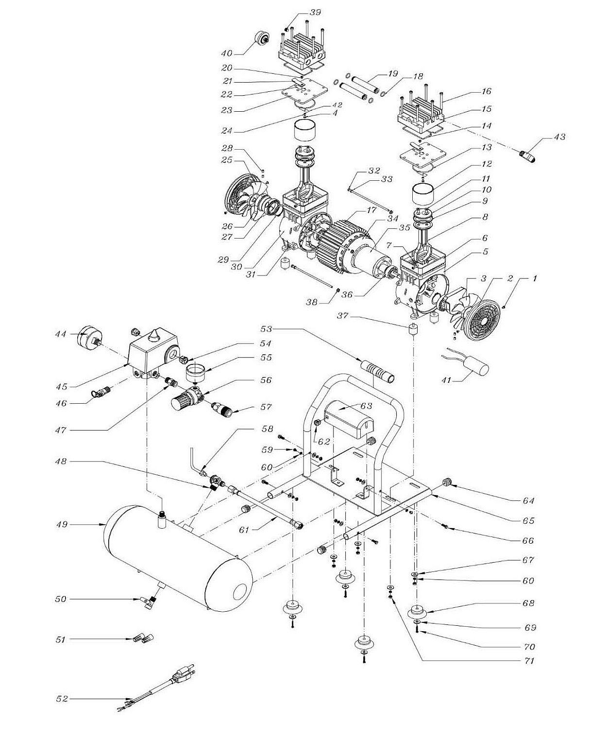
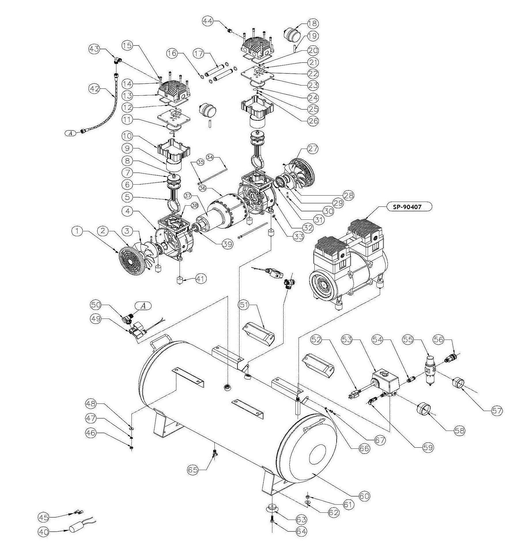
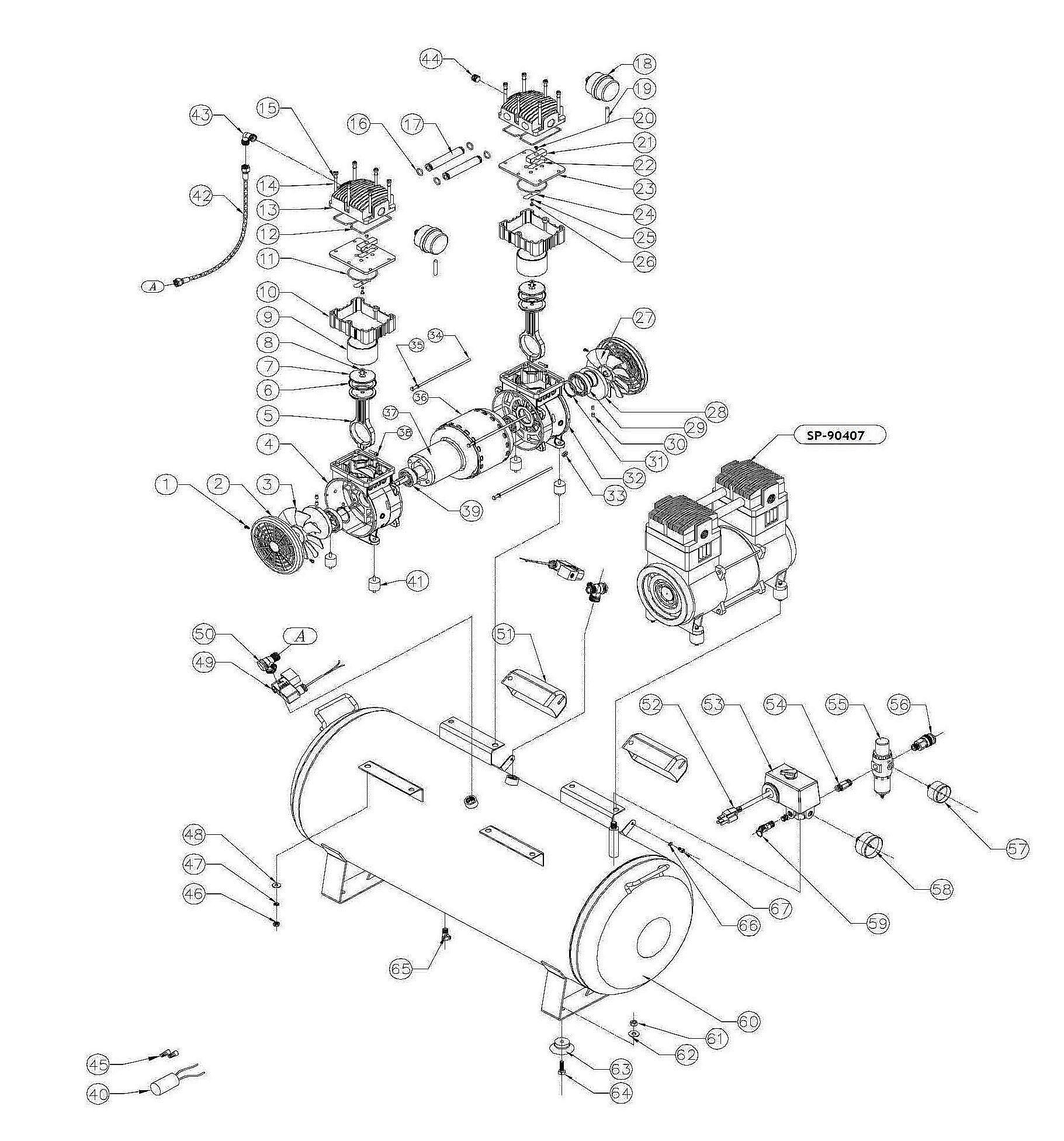
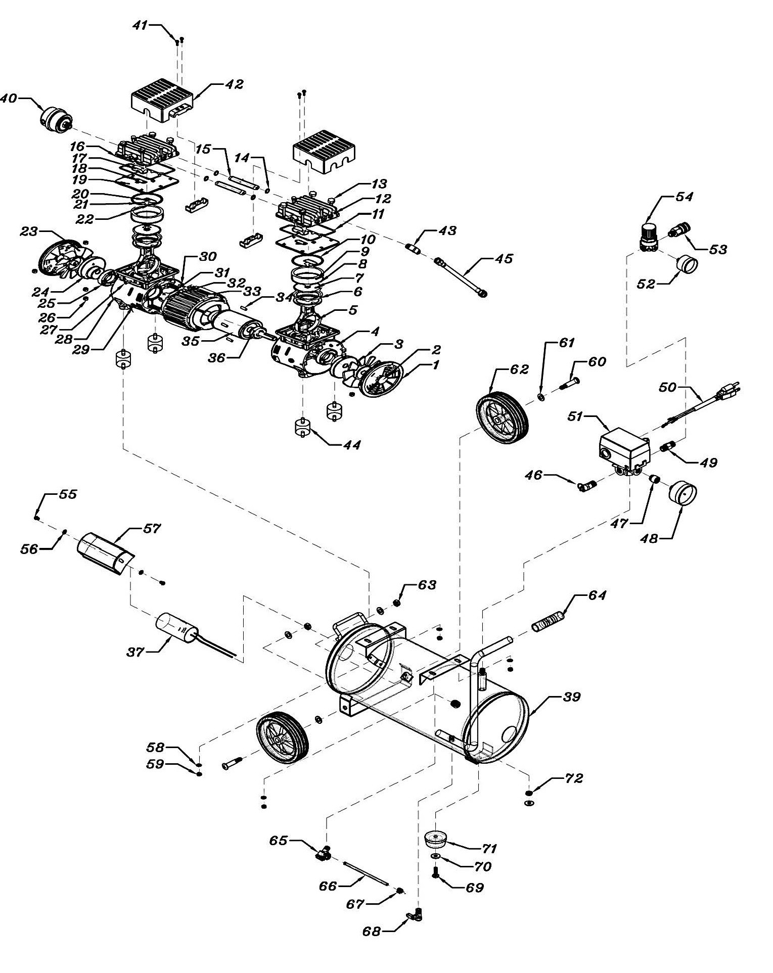
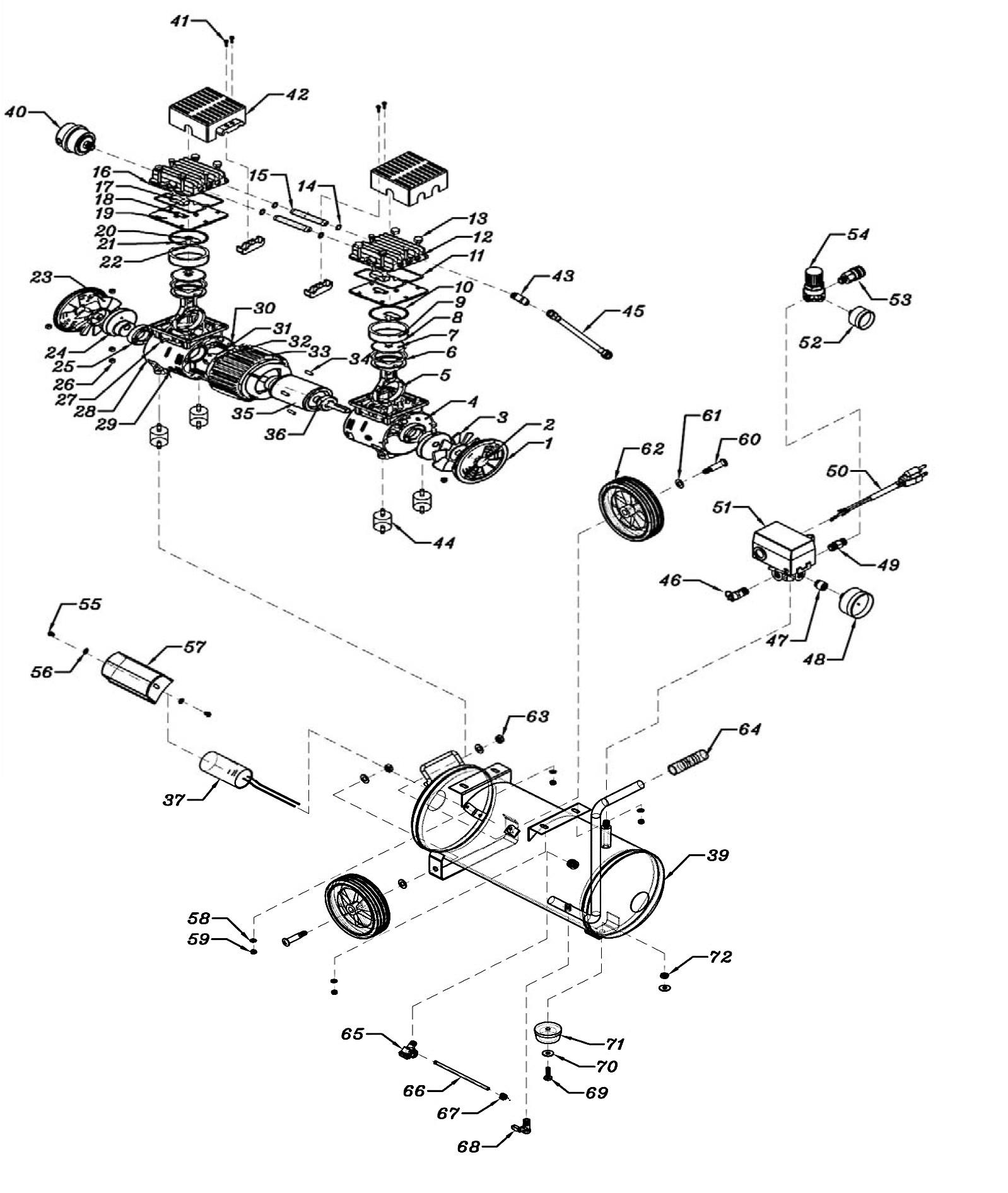
Description Fits Models 0 Reviews Description Washer for the Cushion Foot. View AllClose Product Fitment View AllClose 0 Reviews View AllClose