Setting Up Your Air Compressor for Painting: Beyond Just Pressure Most DIYers and shop owners think a successful paint job is 90% technique and 10% pressure settings. … read more Apr 22, 2026 Craig Coffey, Owner of Master Tool Repair; Reviewed By: Eric Trotman (20-Year Air Compressor Expert)
Master Your Air Flow: A Guide to Air Compressor Manifolds In the world of pneumatic systems, efficiency is king. While many DIYers and professionals focus on … read more Apr 15, 2026 Craig Coffey, Owner of Master Tool Repair; Technical Review by: Eric Trotman, 20-Year Air Compressor Expert
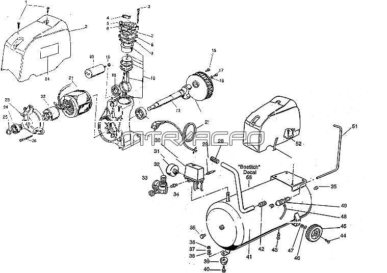
Description Fits Models 0 Reviews Description Washer for the air compressor's connecting rod (conrod) bolt. View AllClose Product Fitment View AllClose 0 Reviews View AllClose