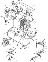
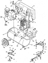
Oil-Bath Gas Compressor Parts

Choose the Coleman Sanborn model number below. e-mail us if your model is not listed:
sales@mastertoolrepair.com
If you do not see your model below, click here for private label lookup
Specifications for most Sanborn Portable Series Air Compressors
(Scroll down to search by model number)