Portable Air Compressor Parts

Portable Air Compressor Parts

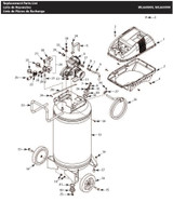
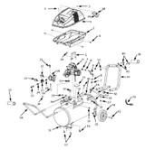
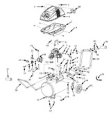
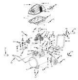
Master Tool Repair offers schematics and portable air compressor replacement parts for many makes and models of compressors. Portable air compressors are versatile and convenient tools that provide compressed air on-the-go and are designed for a wide range of applications, from inflating tires and powering pneumatic tools to filling air mattresses and sports equipment.

Typically lightweight, easy to transport, and powered by electricity or gas, portable air compressors are essential for DIY enthusiasts, outdoor adventurers, and professionals who require reliable and efficient sources of compressed air wherever they go.

Should your air compressor’s performance deteriorate or stop working entirely, portable air compressor parts from Master Tool Repair make it possible for you to perform your own portable air compressor repairs. With our helpful videos, schematics, and live customer support, you can save money and get back to work quickly by fixing your air compressor yourself.